0539-6389886
16ASSK1_16ASSA1 不銹鋼單側(cè)單
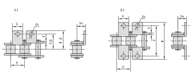
12ASSA1_12ASSK1 不銹鋼單側(cè)單
不銹鋼帶雙孔彎板鏈條
C12AWA2.04C型直板帶附件雙孔
聯(lián)系人:孔經(jīng)理
手 機(jī):13053953194
電 話:0539-6389886
郵 箱:2915442155@qq.com
公 司:山東圣鐸鏈條有限公司
地 址:山東臨沂市羅莊區(qū)通達(dá)南路17號(hào)